在電子設計領域,隨著技術的不斷進步和市場競爭的加劇,工程師們常常需要尋找性能更優、成本更低的芯片來替換原有的設計方案。SDH8312作為一款5V200mA非隔離芯片,憑借其出色的性能和兼容性,逐漸成為AP8505和PN8015的理想替代品。
| 參數/芯片 | SDH8312 | AP8505 | PN8015 |
|---|---|---|---|
| 輸出電壓 | 5V | 5V | 5V |
| 輸出電流 | 200mA | 200mA | 200mA |
| 封裝類型 | SOP-8 | SOP-8 | SOP-8 |
| 內置MOS管 | 650V | - | 800V |
| 啟動方式 | 高壓啟動 | - | 高壓啟動 |
| 保護功能 | 完整 | 基本 | 基本 |
從技術參數來看,SDH8312與AP8505和PN8015在輸出電壓和電流上完全一致,均為5V200mA,能夠滿足相同的應用場景。此外,SDH8312內置650V高壓啟動功能,相比PN8015的800V高壓啟動,雖然耐壓略低,但在實際應用中已經足夠應對大多數小功率電源需求。同時,SDH8312還具備更完善的保護功能,包括VDD欠壓保護、開環保護、輸出過載保護、短路保護和過溫保護等,能夠有效提升電源系統的穩定性和可靠性。
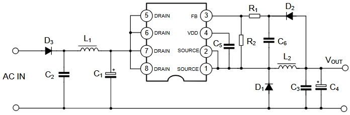
SDH8312內部框架圖如下所示

SDH8312廣泛適用于小功率非隔離電源場景,如家電、小型電子設備等。例如在電飯煲、風扇等設備中,SDH8312可以輕松替代AP8505和PN8015,提供穩定的5V電源輸出。其內置的高壓啟動和自供電功能,能夠實現快速啟動和低待機功耗,特別適合對啟動時間和功耗有嚴格要求的應用。
SDH8312典型應用圖
