在當今電子設備日益復雜且對電源性能要求極高的背景下,一款高效、緊湊且可靠的開關穩壓器芯片對于眾多應用場景來說至關重要。慧創芯耀推出的 SI1322 正是這樣一款能夠滿足市場需求的離線式高 PF 交流輸入開關穩壓器,它憑借諸多優勢特性,在智能照明、智能家居以及小家電等領域展現出強大的應用潛力,為電源設計帶來了全新的解決方案。
SI1322 是一款緊湊型、離線式開關穩壓器,采用了慧創芯耀專利的 AC - DC 架構。這種獨特的架構使得 SI1322 能夠在提供穩定的 5V 輸出電壓的同時,具備半波整流 30mA、全波整流 50mA 的帶載能力,足以應對多種小型電子設備的輔助電源需求。它以低功耗、高功率因數(PF>0.7)為特點,無需復雜的 π 型濾波器即可通過電磁干擾(EMI)測試,大大簡化了電源設計的復雜度和成本,同時無需輸入高壓電容,進一步優化了電路結構,使其在智能照明、智能家居和小家電等典型應用領域中能夠靈活地滿足各種輔助電源的要求。

SI1322 能夠提供 ±2%的 5V 輸出電壓精度,這意味著在正常工作條件下,其輸出電壓能夠穩定地保持在 4.9V 至 5.1V 的范圍內。這種高精度的輸出電壓對于許多對電源穩定性要求較高的電子設備來說至關重要,例如在智能照明系統中,穩定的電源能夠確保 LED 燈具的亮度和色溫保持一致,避免因電壓波動而產生的閃爍或顏色偏差等問題,從而為用戶提供更加舒適和可靠的照明體驗。
該芯片的靜態功耗小于 50mW,這一低功耗特性使得 SI1322 在待機或輕載狀態下能夠顯著降低能耗,這對于需要長時間運行的設備來說具有重要的節能意義。以智能家居設備為例,許多設備在大部分時間里可能處于待機狀態,而 SI1322 的低靜態功耗能夠有效減少這些設備在待機時的電能消耗,從而降低用戶的用電成本,同時也符合現代社會對節能環保的要求。
SI1322 的輸入電壓范圍非常寬,能夠適應 80~305VAC 的交流輸入電壓。這一寬廣的輸入電壓范圍使得該芯片能夠在全球范圍內的不同電網環境下穩定工作,無需擔心因電網電壓波動或不同地區電網標準差異而影響其性能。例如,在一些電網電壓不穩定或存在較大波動的地區,SI1322 依然能夠保持穩定的輸出,確保電子設備的正常運行,極大地提高了電源設計的通用性和可靠性。
SI1322 擁有兩項專利技術,即專利的電流控制方式和專利的 AC - DC 架構。其專利的電流控制方式能夠顯著提升芯片的效率和帶載能力。通過這種控制方式,芯片可以根據不同的輸入電壓和負載條件自動調整電流,從而在各種工作狀態下都能保持較高的效率,同時提高其在高負載條件下的穩定性和可靠性。而專利的 AC - DC 架構則為芯片提供了更加緊湊和經濟的解決方案,使得 SI1322 在體積和成本上具有明顯的優勢,這對于小型化、低成本的電子產品設計來說具有極大的吸引力。
SI1322 采用了 ESOP - 8 封裝類型,這種封裝形式具有良好的散熱性能和較小的體積,便于在緊湊的電路板空間內進行安裝和布局。ESOP - 8 封裝的引腳間距和尺寸設計合理,能夠滿足大多數貼片生產設備的要求,方便進行大規模生產和自動化裝配,從而提高了生產效率,降低了生產成本。
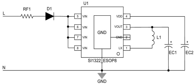
SI1322 的典型應用電路簡潔明了,易于理解和實現。

典型應用:智能照明、智能家居、小家電等

SI1322 的內部功能框圖展示了其復雜的電路結構和先進的控制邏輯。它集成了 VDD 過零檢測、UVLO(欠壓鎖定)、限流檢測、充放電邏輯、電流整形以及 DC - DC 轉換等功能模塊,這些模塊協同工作,確保了芯片在各種工作條件下的穩定性和可靠性。例如,過零檢測功能能夠實時監測電感電流是否降為零,從而優化開關時序,減少開關損耗和反向電流;而 UVLO 功能則可以防止芯片在輸入電壓過低時啟動,避免因輸入電壓不足而導致的芯片損壞或工作異常。

在功能描述方面,SI1322 的充電控制邏輯采用了專利的電流控制方式,能夠根據 VIN 電壓自適應調整充電電流,從而降低芯片損耗,提高帶載能力。
VDD 過壓保護功能確保了芯片在輸入電壓過高時能夠及時關閉充電電流,保護內部電路。
開關電流限制功能則通過實時監測電感上的電流,防止過流損壞芯片。
過零檢測功能優化了開關時序,提高了效率和可靠性。
內置溫度保護功能能夠在芯片溫度過高時關閉充電電流和 DC - DC 輸出,防止芯片因過熱而損壞,當溫度降低后自動恢復工作,進一步提高了芯片的安全性和可靠性。
慧創芯耀 SI1322 離線式高 PF 交流輸入開關穩壓器以其精準穩定的輸出電壓、高效節能的性能表現、廣泛的輸入電壓范圍、創新的專利技術、便捷的封裝形式以及卓越的內部功能和極限參數,在智能照明、智能家居和小家電等領域的輔助電源設計中展現出了巨大的優勢。